| État de disponibilité: | |
|---|---|
| Quantité: | |
Sinopak
Présentation du produit – Principe
Présentation du produit – Concept de conception
Présentation du produit – Composition
Présentation du produit – Modes
Technologie clé
L'unité de puissance est centrée sur un convertisseur de courant IGBT, qui inverse une tension continue en tension alternative et contrôle la fréquence, l'amplitude et la phase de la tension alternative pour obtenir les fonctions de régulation et de filtrage de la puissance réactive de sortie pour l'ensemble du dispositif.
Le dispositif de mise en œuvre du système complet de contrôle et de protection de l'armoire de commande doit permettre une inspection et un calcul rapides de la capacité de puissance réactive, déclenchant ainsi la génération et la distribution d'impulsions et réalisant une protection en couches et graduelle pour l'ensemble des équipements.
Innovation caractéristique – Topologie en cascade à trois niveaux de type I
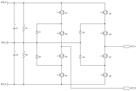
Topologie de pont en H à trois niveaux de type I
Forme d'onde de sortie à cinq niveaux d'un pont en H à trois niveaux de type I
Innovation caractéristique – Structure de l’unité de puissance
Un seul module est dans une unité double Conception structurelle « deux-en-un ». Différent du conventionnel unités deux-en-un disponibles sur le marché, elles utilisent une seule carte de contrôle principale pour obtenir la sortie de contrôle en cascade de deux ponts complets à trois niveaux de type I.
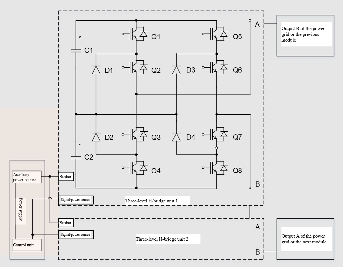
Topologie de la structure du module d'alimentation
Innovation caractéristique – Avantages structurels et innovation
Innovation caractéristique – Système de contrôle principal
Planification des produits
Présentation du produit – Principe
Présentation du produit – Concept de conception
Présentation du produit – Composition
Présentation du produit – Modes
Technologie clé
L'unité de puissance est centrée sur un convertisseur de courant IGBT, qui inverse une tension continue en tension alternative et contrôle la fréquence, l'amplitude et la phase de la tension alternative pour obtenir les fonctions de régulation et de filtrage de la puissance réactive de sortie pour l'ensemble du dispositif.
Le dispositif de mise en œuvre du système complet de contrôle et de protection de l'armoire de commande doit permettre une inspection et un calcul rapides de la capacité de puissance réactive, déclenchant ainsi la génération et la distribution d'impulsions et réalisant une protection en couches et graduelle pour l'ensemble des équipements.
Innovation caractéristique – Topologie en cascade à trois niveaux de type I
Topologie de pont en H à trois niveaux de type I
Forme d'onde de sortie à cinq niveaux d'un pont en H à trois niveaux de type I
Innovation caractéristique – Structure de l’unité de puissance
Un seul module est dans une unité double Conception structurelle « deux-en-un ». Différent du conventionnel unités deux-en-un disponibles sur le marché, elles utilisent une seule carte de contrôle principale pour obtenir la sortie de contrôle en cascade de deux ponts complets à trois niveaux de type I.
Topologie de la structure du module d'alimentation
Innovation caractéristique – Avantages structurels et innovation
Innovation caractéristique – Système de contrôle principal
Planification des produits
STATCOM refroidi par air ou refroidi par eau : lequel est le meilleur pour votre projet ?
Comment choisir le bon STATCOM refroidi par air pour votre réseau électrique ?
Quels sont les avantages du STATCOM refroidi par air pour les applications industrielles ?
Pourquoi devriez-vous choisir un STATCOM refroidi par air pour votre système électrique ?